
| 用 途 |
| GF型葉輪給粉機是火力發電廠儲倉式制粉系統供給鍋爐燃料的主要設備,用它把煤粉連續,均勻地送入一次風管,吹進鍋爐燃燒。靠它調節給粉量來控制度和壓力,從而保證要求的鍋爐出力。 |
| 葉輪給粉機的出力是按一定的容積比重確定的。因此,對于建材、冶金、化工、民用等部門的制粉系統,也可根據技術性能廣為選用,歡迎訂貨。 |
| 技術參數 |
| |||||||||||||||||||||||||||||||||||||||||||||||||||||||||||||||
| 配套電動機技術數據 |
|
| 原 理 |
| GF型葉輪給粉機是一種定量給粉設備。給粉量的調節是靠改變電磁調速異步電動機的轉數來達到的。變速系統是由一極蝸輪與蝸桿付構成的。 |
| 當變速時由蝸桿付通過裝在同一主軸上的刮板,供給葉輪和測量葉輪實現給粉。煤粉自煤粉斗流入給粉機上部體內的隔板上及其缺口下面的供給葉輪的齒槽內,旋轉的葉輪帶著煤粉在供給葉輪殼內轉180度給葉輪殼缺口處,落到測量葉輪內的齒槽,測量葉輪再轉180度又把煤粉帶部體內的缺口片,煤粉即落入出粉管中,按此過程就達到連續、均勻給粉的防止停機時煤粉自流的目的。 |
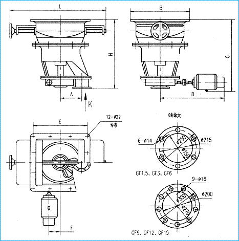
| 外形尺寸 |
![]() |
|
| 上一個產品:ZZF、DZF系列振動放礦機 |
| 下一個產品:GY型剛性葉輪式給料機 |